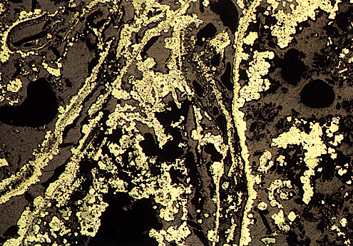
Pyrite and sphalerite. East Pacific Rise, Pacific Ocean




Click here



500µm


A series of roughly linear organic structures (worm tubes?) are associated with the nucleation and crystallization of poorly crystalline pyrite (brown, lower reflectance, centre) and more euhedral pyrite (yellow-white, right), much of which overgrows the poorly crystalline pyrite. Minor amounts of sphalerite (light grey, bottom left) are intergrown with pyrite. Black areas are polishing pits.


Polished block, plane polarized light, x 40, air



Click here for Associations Click here for Mineralogy