
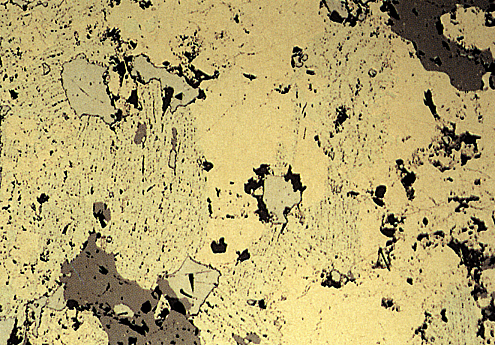
Marcasite, sphalerite, pyrite and galena. Nigadoo River, New Brunswick, Canada


500µm
Marcasite (blue-white, centre left) lath-shaped aggregates, are intergrown with euhedral pyrite (light yellow-white, centre) and have totally pseudomorphed pyrrhotite. This is a very characteristic replacement texture of pyrrhotite. The orientation of the marcasite laths is along the (0001) basal plane of the original pyrrhotite. Sphalerite (light grey, top right), which carries galena inclusions (bottom centre), is intergrown with galena (blue-white, bottom left).
Polished block, plane polarized light, x 40, air
