
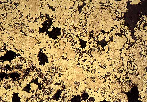
Pyrite and marcasite. Galapagos Mound, Pacific Ocean


250µm
Radiating aggregates of poorly crystalline pyrite (browner, lower reflectance, centre) form cores to euhedral or subhedral pyrite (yellow-white, centre right) which is intergrown with minor marcasite (blue-white, higher reflectance, top centre) in voids.
Polished block, plane polarized light, x 80, air
