
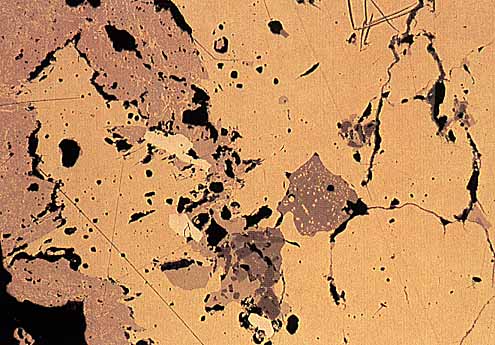
Chalcopyrite, stannite group minerals, sphalerite, cassiterite, arsenopyrite and covelline. Wheal Jane, Cornwall, Britain


250µm
Chalcopyrite (yellow, right) is rimmed by a stannite group mineral (pink-brown, left) containing abundant chalcopyrite inclusions (left), but is also altered to covelline (deep blue, top right) along fractures and crystal edges. Small subhedral crystals of cassiterite (dark grey, bottom centre) are enclosed within sphalerite (light grey, bottom centre) and inclusion free stannite (brown-grey, bottom centre). Smaller areas of cassiterite within stannite itself within chalcopyrite are also present (centre right). Anhedral arsenopyrite (white, high reflectance, centre left) has been replaced by sulphides. Sphalerite with chalcopyrite inclusions (centre right) is intergrown with chalcopyrite. Black area is quartz (bottom left).
Polished block, plane polarized light, x 80, air
